衬氟阀门

衬氟球阀
Q41F46 衬氟球阀采用全通径、浮动球结构,阀门可在整个压力范围内进行无泄漏关闭,更便于管路系统的通球扫线和管路维护
衬氟球阀产品用途:
Q41F46 衬氟球阀内腔及球体均采用高压注塑工艺衬有耐腐蚀、耐老化的聚全氟乙丙稀(F46),故具有可靠的耐腐蚀性和密封性。广泛用于化工、石油、冶金、医药等工业部门,实现对生产过程中酸、碱等强腐蚀介质的调节或切断,在水处理过程控制中使用效果明显。
Q41F46衬氟球阀产品特点:
1、采用FEP衬里层的球阀,具有极高的化学稳定性,可以适用除“熔融碱金属和元素氟”,以外其它任何强腐蚀性质
2、采用全通径、浮动球结构,阀门可在整个压力范围内进行无泄漏关闭,更便于管路系统的通球扫线和管路维护
3、启闭件球件与阀杆铸(锻)为一体,杜绝了由于压力变化引起阀杆冲出承压件内的可能性,从根本上保证了工程中的使用安全性
4、结构紧凑合理,阀体内腔空间 小,减小了介质滞留,另外,特殊的模压工艺,使密封面致密度良好,加之人字环形PTFE填料组合,使阀门达到零泄漏
5、两片式、三片式结构可适应各种不同要求的管路系统和工况条件,其中三片球阀允许主阀体与两侧阀体分离,可实现在线快速更换。
Q41F46衬氟球阀执行标准:
设计标准:GB12237
结构长度:GB12221
法兰标准:JB/T79-94 GB9113.1-26
检验试验:JB/T9092-99
Q41F46衬氟球阀零件材料表:
| 序号 | 零件名称 | 灰铸铁 | 铸钢 | 不锈耐酸铸钢 | 超低碳不锈耐酸铸钢 | ||
| Z | C | P | R | PL | RL | ||
| 1 | 阀体/阀盖 | HT250 | WCB | CF8 | CF8M | CF3 | CF3M |
| 2 | 球体/阀杆 | WCB | CF8 | CF8M | CF3 | CF3M | |
| 3 | 衬里/阀座 | PCTEF(F3),FEP(F46),PFA(可溶F4),PP,PO | |||||
| 4 | 填料压盖 | WCB | CF8 | CF8M | CF3 | CF3M | |
| 5 | 填料 | PTFE(F4) | PTFE(F4) | PTFE(F4) | |||
| 6 | 支架 | 35 | 1Cr18Ni9Ti | 1Cr18Ni9Ti | |||
| 7 | 螺栓 | 35 | Cr17Ni2 | 1Cr18Ni2 | |||
| 8 | 紧固螺母 | 45 | 0Cr18Ni9 | 0Cr18Ni9 | |||
| 9 | 操作手柄 | WCB | WCB | WCB | |||
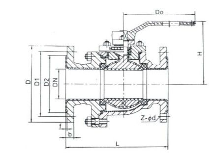
Q41F46衬氟球阀--主要外形和连接尺寸:

| 公称通经 | L | D | D1 | D2 | f | b | Z-φd | |
| DN(mm) | NPS(inch) | PN1.0MPa | ||||||
| 15 | 1/2 | 130 | 95 | 65 | 45 | 2 | 14 | 4-φ14 |
| 20 | 3/4 | 140 | 105 | 75 | 55 | 2 | 16 | 4-φ14 |
| 25 | 1 | 150 | 115 | 85 | 65 | 2 | 16 | 4-φ14 |
| 32 | 5/4 | 165 | 135 | 100 | 78 | 2 | 18 | 4-φ18 |
| 40 | 3/2 | 180 | 145 | 110 | 85 | 3 | 18 | 4-φ18 |
| 50 | 2 | 200 | 160 | 125 | 100 | 3 | 20 | 4-φ18 |
| 65 | 5/2 | 220 | 180 | 145 | 120 | 3 | 20 | 4-φ18 |
| 80 | 3 | 250 | 195 | 160 | 135 | 3 | 22 | 4-φ18 |
| 100 | 4 | 280 | 215 | 180 | 155 | 3 | 22 | 8-φ18 |
| 125 | 5 | 320 | 245 | 210 | 185 | 3 | 24 | 8-φ18 |
| 150 | 6 | 360 | 280 | 240 | 210 | 3 | 24 | 8-φ23 |
| 200 | 8 | 457 | 335 | 295 | 265 | 3 | 26 | 8-φ23 |
| 250 | 10 | 533 | 390 | 350 | 320 | 3 | 28 | 12-φ23 |
| PN1.6MPa | ||||||||
| 15 | 1/2 | 130 | 95 | 65 | 45 | 2 | 14 | 4-φ14 |
| 20 | 3/4 | 130 | 105 | 75 | 55 | 2 | 16 | 4-φ14 |
| 25 | 1 | 140 | 115 | 85 | 65 | 2 | 16 | 4-φ14 |
| 32 | 5/4 | 165 | 135 | 100 | 78 | 2 | 18 | 4-φ18 |
| 40 | 3/2 | 165 | 145 | 110 | 85 | 3 | 18 | 4-φ18 |
| 50 | 2 | 203 | 160 | 125 | 100 | 3 | 20 | 4-φ18 |
| 65 | 5/2 | 222 | 180 | 145 | 120 | 3 | 20 | 4-φ18 |
| 80 | 3 | 241 | 195 | 160 | 135 | 3 | 22 | 8-φ18 |
| 100 | 4 | 305 | 215 | 180 | 155 | 3 | 24 | 8-φ18 |
| 125 | 5 | 356 | 245 | 210 | 185 | 3 | 26 | 8-φ18 |
| 150 | 6 | 394 | 280 | 240 | 210 | 3 | 28 | 8-φ23 |
| 200 | 8 | 457 | 335 | 295 | 265 | 3 | 30 | 12-φ23 |
相关产品


