衬氟阀门

衬氟Y型过滤器
GL41F46 衬氟Y型过滤器是用来清除腐蚀性介质中的杂质,保护泵、阀门及其它设备的正常使用。一般通水网为20-60目/cm2,通气网为40-100目/cm2通油网为100-480目/cm2。可根据介质相应配置。
衬氟Y型过滤器产品概述:
GL41F46 衬氟Y型过滤器是用来清除腐蚀性介质中的杂质,保护泵、阀门及其它设备的正常使用。一般通水网为20-60目/cm2,通气网为40-100目/cm2通油网为100-480目/cm2。可根据介质相应配置。由于过滤器内壁及滤网均采用耐腐蚀性极强的四氟制成,因此该产品被广泛应用于各种腐蚀性管路中。衬氟Y型过滤器阀体内腔和滤网全部衬氟塑料,该产品在几乎所有的强酸强碱和有机溶剂等介质中均摊能使用,其介质流量与阀门开度基本呈流线性递增,可用于控制阀的流量。
衬氟Y型过滤器产品特点:
1. 衬氟Y型过滤器体符合《化工管道过滤器》HG/T 21637-1991或《钢制压力容器》GB150-1998规范。
2.多种内衬氟材料选择:PTFE、PVDF、PFA、ECTFE、FEP、PO、PE。
3.可耐强酸和强碱,PH可达1-14。
4.可抵御小分子气体的渗透,包括氧、二氧化碳.
5.高纯,析出率极低,符合光伏行业的纯净要求。
6.使用温度宽泛,从超低温度至260℃。
7.表面极其光滑,摩擦系数很小。
8.机械性能强,坚固、耐磨损性能佳。
衬氟Y型过滤器主要零件材料:
序号 | 零件名称 | 材料名称 | |||||
1 | 阀体 | HT250 | WCB | CF8 | CF3 | CF8M | CF3M |
2 | 阀盖 | HT250 | WCB | 304 | 304L | 316 | 316L |
3 | 过滤网 | PTFE(F4)+316 | |||||
4 | 螺栓 | 35 | 35 | 1Cr17Ni2 | 1Cr18Ni9 | 1Cr17Ni2 | 1Cr18Ni9 |
5 | 螺母 | 45 | 45 | 0Cr18Ni9 | 0Cr18Ni9 | 0Cr18Ni9 | 0Cr18Ni9 |
6 | 内衬材料 | FEP(F46)、PCTFE(F3)、PTFE(F4)、PO(聚烯烃) | |||||
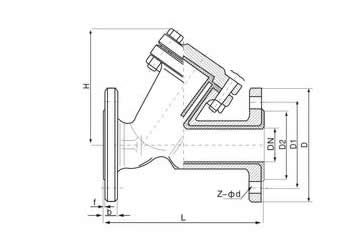
衬氟Y型过滤器主要连接尺寸:‘

| 公称通径 | 主要链接尺寸 | |||||||
| DN | NPS | L | D | D1 | D2 | f | b | z-d |
| mm | inch | PN1.0MPa | ||||||
| 15 | 1/2 | 150 | 160 | 95 | 65 | 3 | 16 | 4-14 |
| 20 | 3/4 | 150 | 170 | 105 | 75 | 3 | 18 | 4-14 |
| 25 | 1 | 160 | 180 | 115 | 85 | 3 | 18 | 4-14 |
| 32 | 5/4 | 180 | 200 | 140 | 100 | 3 | 18 | 4-18 |
| 40 | 3/2 | 200 | 260 | 150 | 110 | 3 | 18 | 4-18 |
| 50 | 2 | 230 | 260 | 165 | 125 | 3 | 18 | 4-18 |
| 65 | 5/2 | 290 | 330 | 185 | 145 | 3 | 18 | 4-18 |
| 80 | 3 | 310 | 340 | 200 | 160 | 3 | 20 | 8-18 |
| 100 | 4 | 350 | 400 | 220 | 180 | 3 | 20 | 8-18 |
| 125 | 5 | 400 | 480 | 250 | 210 | 4 | 22 | 8-18 |
| 150 | 6 | 480 | 500 | 285 | 240 | 4 | 22 | 8-22 |
| 200 | 8 | 600 | 560 | 340 | 295 | 4 | 24 | 8-22 |
相关产品


